UF12AMR23BWH原裝臺灣fulltech福佑變頻器機柜機箱冷卻機散熱風扇
作者:1097 發布日期:2020-10-01
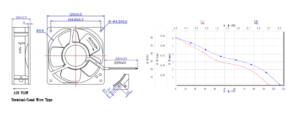
UF12AMR23BWH






由于不同客戶對使用環境的不同,耐溫,防水,防塵,風量等,風扇的選型及價格可咨詢深圳市多羅星科技有限公司專業的技術人員及業務員。
公司簡介:深圳市多羅星科技成立于2003年,位于廣東深圳,主要經營臺灣AC風機,EC風機,DC風機,風扇罩,鍍鋁板鍍鋅板不銹鋼葉輪和耐高溫定制電機,超高溫無刷電機等等。同時擁有EBM-PAPST、臺灣慣展、福佑、達盈、信灣、百瑞、三協、嶄昱等臺灣,德國,日本知名品牌的代理權。
電 話:13145949419 潘小姐
地 址:廣東省深圳市羅湖區金碧路6號金湖花園A區1棟802
